30年以上にわたるトランス製造の経験を持つエバーニューは、業界における幅広い専門知識を持っています。当社の高品質25 kVA 単相ポールマウント変圧器 は北米、南米、アジア、ヨーロッパの50カ国以上に輸出されています。特定の定格電圧と容量を持つカスタム単相ポールマウントトランスが必要な場合は、お問い合わせください。EverNewは工場価格で最高品質の製品を提供することをお約束します。
世界中のお客様のニーズにお応えするため、当社のポールマウント変圧器は、CAN CSA C2.1-06、CAN CSA C2.2-06などの厳しい業界標準に準拠しており、お客様の特定の仕様に合わせて調整することができます。さらに、お客様のご要望に応じて、IEEE C57.12.20やIECなどの国際規格にも適合するように設計されています。変圧器の規格について詳しくはこちらをご覧ください。
クリックしてくれ

エバーニューは、単相・三相のポールマウントトランスを含め、25KVAなど様々な仕様のポールマウントトランスを世界中のお客様に提供しています。これらの変圧器は、低圧配電線の長さを短縮し、線路損失を低減し、電力供給品質を向上させることができます。高効率、省エネルギーの巻線コア設計を特徴とするこれらの変圧器は、コンパクトでインフラ投資が少なくて済みます。低圧電源の半径を縮小し、低圧ライン損失を60%よりも削減します。完全に密封された構造で、強い過負荷容量、連続運転のための高い信頼性、および容易な維持を提供します。それらは農村の電力網、遠隔山間地域、散らばった村、農業生産および照明のために、また鉄道および都市電力網の省エネの改装のために適しています。私達の変圧器は信頼できる性能および長い操作上の生命のために良質材料および部品を使用して先端技術と、設計されています。
単相配電変圧器は、単相負荷に供給するために個別に使用することも、三相負荷に供給するために3台の変圧器セットの1台として使用することもできる。これらの変圧器は、木製またはコンクリート製の電柱に直接取り付けることができ、単体で使用することも、三相用としてグループで使用することもできます。EverNew社は、一般的に配電電圧(2400ボルトから35000ボルト)をより低い使用電圧に降圧するために使用される油入単相架空変圧器を設計・製造しています。一部の変圧器は商業用や工業用の降圧に使用されますが、これらの変圧器は小規模な変電所やその他の用途にも使用され、昇圧目的にも使用できます。
詳細はこちら ポール・マウント・トランスとは
クリックしてくれ25KVAポールマウント変圧器の選択
電源トランスを選択する際には、お客様の特定のニーズを確実に満たすために、いくつかの要素を考慮する必要があります。まず、用途に応じて必要な相を検討します。産業用であれば、頑丈な機器に適している三相変圧器が理想的です。逆に、小さなアパートや一軒家では、家電製品に最適な単相変圧器が適しています。
次に、変圧器はさまざまな電圧に対応しているため、電圧要件と主電源電圧を検討します。25KVAのポールマウント変圧器は、アプリケーションの特定の電圧ニーズを満たす必要があります。さらに、国によって使用する周波数が異なるため、周波数要件も考慮します。たとえば、米国向けに設計された機械は60 Hzを使用しますが、英国では50 Hzです。トランスが周波数要件に適合していることを確認してください。
さらに、変圧器を設置する場所とそのサイズについても考えましょう。屋外、屋内、さらには危険物の近くなど、さまざまな環境に適した変圧器があります。例えば、屋外用の変圧器は、湿度や温度などの環境要因に耐えられるように設計する必要があります。25KVAのポールマウント変圧器は汎用性が高く、これらの考慮事項に合わせることができるため、幅広い設定や用途に適しています。
クリックしてくれ
25 kVA ポールマウント変圧器 価格
当社の25kVAポールマウント変圧器は、厳格な業界標準を満たすように設計されており、卓越した性能を発揮します。米国では、これらのトランスの価格帯は通常$1,500~$3,000ですが、ヨーロッパでは一般的に1,200~2,500ユーロです。価格に影響を与える要因としては、ブランド、定格電圧、使用されている材料(銅やアルミニウムの巻線など)、追加機能やカスタマイズなどがあります。
EverNewでは、競争力のある工場卸売価格で高品質の変圧器を提供しています。私たちの製品は、お客様の特定の要件を満たすように調整され、包括的なアフターサービスと保証ポリシーが付属しています。お客様のご要望に合わせたお見積もりをいたしますので、お気軽にお問い合わせください。
クリックしてくれ25 kVA ポールマウント変圧器 重量とサイズ
25KVAのポールマウント変圧器を検討する場合、その物理的なサイズと重量を理解することが重要です。通常、25KVA のポールマウント変圧器の重量は、300 ~ 600 ポンド(約 136 ~ 272 キログラム)です。正確な重量は、製造業者や変圧器の特定の設計機能によって異なる場合があります。この重量範囲により、変圧器は電柱に簡単に設置できる一方で、必要な電力を処理するのに十分な強度を確保できます。
サイズに関しては、25KVAのポールマウント変圧器は通常、高さ約2~3.3フィート(約0.6~1.0メートル)、幅約1.5~2フィート(約0.45~0.6メートル)である。このコンパクトなサイズにより、視覚的な影響を最小限に抑え、安定性を確保しながら、電柱にしっかりと取り付けることができます。トランスの寸法は、効率的な電力処理と容易な設置およびメンテナンスのバランスをとるように設計されており、地方や都市環境を含むさまざまな用途に適しています。お問い合わせください。EverNew Transformerは、製品のサイズと重量の詳細なパラメータを提供します。
クリックしてくれ

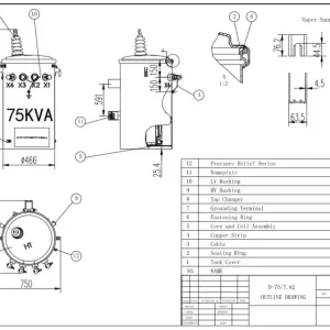
25 kVA変圧器ポール・マウント主要コンポーネント
25kVAの柱上変圧器の主な構成部品は、コア、巻線、絶縁体、ブッシング、タップチェンジャー、保護装置などである。
| コンポーネント | 説明 |
| コア | 積層鋼板製の磁気コア |
| 巻線 | コアに巻かれた一次巻線と二次巻線 |
| 断熱システム | 漏電を防ぐ絶縁材料 |
| タンク | コア、巻線、絶縁体を収納するスチール製タンク |
| ブッシング | 変圧器にケーブルを接続するための絶縁装置 |
| 冷却システム | 自然オイル循環や強制空冷などの放熱方法 |
| タップ・チェンジャー | トランスの出力電圧を調整する装置 |
| 保護装置 | ヒューズ、サーキットブレーカー、サージアレスターによる漏電保護 |
| ネームプレート | 変圧器の仕様と定格を表示したプレート |
25kVAのポール・マウント・トランスは何キロワットですか?
25kVAの柱上変圧器は約25キロワットに相当する。変換関係によると、1kVAが0.8kWに相当するため(多少の損失を考慮)、25kVAに0.8をかけると約20kWとなる。しかし、効率や追加負荷の考慮などさまざまな要因により、実際に使用可能な電力は24kWに近くなることがあります。さらに1kWのマージンを加えると、合計で約25kWになると推定できる。
キロボルトアンペア(kVA)は、電気回路、特に変圧器、発電機、モーターなどの機器の皮相電力の測定に使用される単位である。位相角を考慮しない回路の電圧と電流の積である。AC(交流)回路では、この関係は次式で与えられる:
皮相電力(kVA)=電圧(kV)×電流(A)
25kVAの柱上変圧器のような変圧器の容量は、力率を考慮せずに変圧器が処理できる最大負荷を表すため、kVAで表される。.力率は、皮相電力(kVA)に対する実電力(kW)の比であり、電力がどれだけ効率的に使用されているかを示す。システムにおける典型的な非効率と損失を考慮するため、これらの計算では0.8の力率が一般的に使用される。
したがって、柱上変圧器の容量を指定する場合は、実電力(仕事を行う)と無効電力(システム内の電界と磁界を維持する)の両方を含む総電力を包含するkVAを使用することが不可欠である。この違いを理解することは、電気システムをより効率的に設計し、利用するのに役立ちます。
25 kVAポールマウント変圧器の技術特性
| 原産地 | 中国 |
| ブランド名 | エバーニュー・トランスフォーマー |
| 変圧器タイプ | オイル |
| 冷却方法 | 空冷 |
| フェーズ | シングル |
| コイル構造 | トロイダル |
| コイル番号 | オートトランス |
| 入力電圧 | 6KV,6.35KV,6.66KV,7.2KV,7.6KV,10KV,11KV,13.2KV,13.8KV, 24.94kv,33kv,34.5kv,35kV |
| 出力電圧 | 120/240V 240/480V 139/277V 120/208V 600V |
| 商品名 | 167kva 333kva ポールマウント変圧器 75kva 250kva、100kva |
| 高電圧 | 12.47/13.2/13.8/14.4/34.5kv |
| 低電圧 | 120-240/240-480/347/600 |
| 定格容量 | 25kva 37.5kva 50kva 75kva 100kva 167kva 250kva |
| スタンダード | ansi/ieee; iec60076; |
| 認証 | CESI/ISO |
| ベクトルグループ | ダイナ11 / Yyn0 |
| 頻度 | 50Hz/60Hz |
| コア材 | CRGOシリコンスチールコア |
| 素材 | 銅アルミニウム |
| 申し込み | 配電システム |
| 接続記号 | II0/II6 |
| 保証 | 24ヶ月 |
| 単一パッケージサイズ | 120X150X160cm |
| シングル総重量 | 253.000キロ |
25 kVAポールマウント変圧器の電圧レベル
| 定格電力(KVA) | ハイ・ヴロテージ(V) | 低ヴロテージ(V) | 損失(W) | 寸法(mm) | 重量(KG) | ||||
| 負荷なし | オンロード | W | D | H | オイル | 合計 | |||
| 10 | 34500/ | 120-240 | 36 | 120 | 500 | 525 | 885 | 22 | 150 |
| 15 | 50 | 195 | 520 | 565 | 905 | 30 | 210 | ||
| 25 | 80 | 290 | 560 | 590 | 935 | 45 | 258 | ||
| 37.5 | 105 | 360 | 610 | 625 | 935 | 50 | 340 | ||
| 50 | 135 | 500 | 635 | 675 | 1035 | 62 | 395 | ||
| 75 | 190 | 650 | 745 | 840 | 1035 | 88 | 480 | ||
| 100 | 210 | 850 | 770 | 965 | 1135 | 94 | 530 | ||
| 167 | 350 | 1410 | 795 | 890 | 1335 | 138 | 680 | ||










レビュー
レビューはまだありません。